供暖系统中的水质处理及防腐方法
了使供热设备安全、可靠、经济合理地运行,并保护环境,减少对地下水质的污染。这就需要选择环保型的水处理方法,做好防垢、防腐、防人为失水工作。使供热采暖系统在无垢、无锈、无腐蚀状态下优质供热,从而达到节能、节水、减排、减少维修量,延长设备使用寿命的综合效益。
首先要保证设备安全运行,其次是最经济的、最环保的、操作最简便的、运行最容易控制的水处理方法就是最佳的水处理方法。
(2)与热源间接连接的二次水供暖系统的水质应达到供暖系统需求的标准,同时抑制水垢、污泥的生成及微生物的生长,防止堵塞采暖设备、管道,特别是保证散热器恒温阀、机械式热表等正常运行。
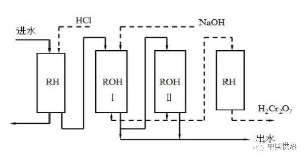
是利用离子交换剂降低水中硬度的水处理方法。常用的离子交换剂有钠型树脂(RNa)、强酸性H(RH)型树脂和弱酸性H树脂。离子交换软化系统采用Na离子交换软化系统和H-Na离子交换脱碱软化系统。离子交换软化主要是利用树脂的吸附交换功能,将水中主要钙镁 离子去除的过程,钠离子交换器中的软化反应如下:
从以上反应可看出取代了原水中的Ca2+Mg2+,因而水得以软化,处理使水的含盐量略有增加,碱度保持不变。
但是此种方法只防垢,但不能做到根本性防垢。而且软化水的腐蚀性比自来水还强,导致整个水系统腐蚀加重。
英国标准:民用住宅热水集中供暖中水处理实施法规(British Standard-BS7593:1992)总则中规定“在任何一个集中供暖系统中都不应该使用经过软化器的供水,除非特别地明确表示已经为此添加了腐蚀抑制剂”。从英国标准规定中可看出集中供热给水中不应该使用软化水,如果非要用软化水,必须在软化水中加防腐药剂。
此种方法解决了软化水的腐蚀问题,以及附加防垢,防止软化水不合格而导致设备结垢。目前大型集中供热和区域供热一般都选择软化水加药 这种水处理方法。
自来水直接加药,由于取消了软化水,减少了设备投资,节约了人力,只是在选择药剂时要十分注意。此方法适用于7MW以下的直供式热水锅炉以及任何传热量的二次换热采暖系统。
在全国4亿多平方米供暖面积的二次网系统及热电联产供暖的一次网系统基本都采用自来水加YZ-101防腐阻垢剂的水处理方法。
此类方法一般指场处理,选用此法要非常慎重,因为到目前为止效果较好的物理处理方法很少。
上述四种水处理方法中,从长远的发展趋势来看,方法一是要逐步淡化的,方法二和方法三是应该提倡的,在方法二和方法三中,关键是要按三条标准选择优质的防腐阻垢剂。
供热采暖水系统在运行中不是以氧腐蚀为主,是以CO2腐蚀和垢下腐蚀为主,CO2来源于生水中的碱度(HCO3-)受热分解。冬季生水中的溶解氧含量只有11mg/L左右,而循环水中的溶解氧主要来源于循环水泵负压侧的吸气及水系统漏水时跑风处(形成负压)的吸气。这两处的进气导致循环水中的氧气是补水中溶解氧的几十倍、几百倍或更多。使用固体防腐阻垢剂后一般不再除氧就能有效地防腐,是因为它有以下三种功能:其一,是由于除垢除锈,就等于除掉了电化学腐蚀的阴极,从而阻止了电化学腐蚀;其二,是含有几种育膜剂,在铁的表面生成一层黑亮的保护膜,可阻隔氧和二氧化碳的腐蚀;其三,它是碱性药剂,能迅速提高水的pH值。当pH值≥10时,铁处于钝化区中,腐蚀最小。防腐阻垢剂在使用实践中证明是集中供暖系统的一种简单而行之有效的水处理方法。

1、系统采用全自动控制运行、停止;系统设计有自动、手动控制模式,可根据不同状况进行切换;系统配置完善的保护装置和监测设备,控制系统由电脑程序控制,实现正、反洗和再生功能,实现全自动控制,并实时状态显示,并含有远程控制功能。
2、系统内管路阀件:管道采用UPVC制作,管件要求相同材质及品牌的产品,阀门采用管道配套材质制品,同时阀门材质必须达到国家相关的饮用水卫生标准;
3、软化水系统加药桶槽至少可存储1周用量,由液位控制系统;
5、系统所有设备除控制室内设置控制柜外,均需设置现场控制柜,方便维护,及紧急处理;
6、锅炉房软化水系统中均需采用一用一备设计,确保安全连续运行。7、阀门安装位置不能太高,必须方便维护;
1.自动化程度高 全自动软水装置按预先设置的程序,自动完成软化再生等循环过程,运行中除需人工定期添加再生盐外不需任何人工操作,节省了大量的人力、物力。自动控制器或电脑自动控制器可以据水质的变化容易的调整系统的运行。
3.高效率、低能耗、运行费用低 由于软水器整体设计合理,并实行严格的自动控制,使树脂的交换能力保证充分发挥,使设备的盐耗、水耗等指标均明显低于一般的软化水装置相比,电耗明显降低。
5.占地面积小 先进的工艺设计使软水装置结构紧凑,占地面积明显减小,节省了建筑投资。